电液动浆液阀
浆液阀
本公司生产的新型手动、电液动浆液阀是在吸收和消化国内外先进阀体技术基础上对阀体结构、密封形式、驱动装置及电气控制方面作了进一步更新。产品结构简单、体积小、重量轻、流阻小、介质不易在阀体内沉淀,以及安装方便等诸多优点,同时具备手动、电液动操作功能。电气控制:行程开关控制、位置显示仪控制,实现了机、电、液、仪一体化等多功能体系。
结构形式及特征
a、阀体结构形式及密封方式
我公司新研制的浆液阀分对夹式和整体式,对夹式阀体密封采用复合材料配置的“U”型和“T”型复合结构。整体式阀体密封采用“O”型复合密封圈结构,克服了原对夹式浆液阀采用“U”型密封垫受力后易移位和变形,介质外泄等缺点。闸板采用刀形结构,解决了灰浆沉淀密封槽内,阀门关闭不严,外泄漏等问题。
b、驱动装置分手动操作和电液动操作两种
手动装置:操作简单,适用于力矩较小阀门。
电液动装置:适用于力矩较大,力和速度可调,可任意任置锁定的阀门装置。
适用介质:
采矿、钢铁工业——用于煤浆、滤碴浆等。
净化装置——用于废水、泥浆、污物及带有悬浮物的澄清水。
造纸工业——用于任何浓度纸浆、料水混合物。
制糖工业——用于甜菜洗涤、糖浆、榨汁、果汁等。
食品工业——用于洗涤和冲洗设备,粮食输送设备,麦芽浆等。
电站除灰——用于灰渣浆。
技术参数
型号 |
Z□73□-6 Z□73□-10 Z□73□-16 |
介质公称压力 |
0.6MPa 1.0MPa 1.6MPa |
介质工作温度 |
-20~28℃ |
材料 |
阀体:灰铸铁、球墨铸铁;闸板及阀杆;不锈钢 |
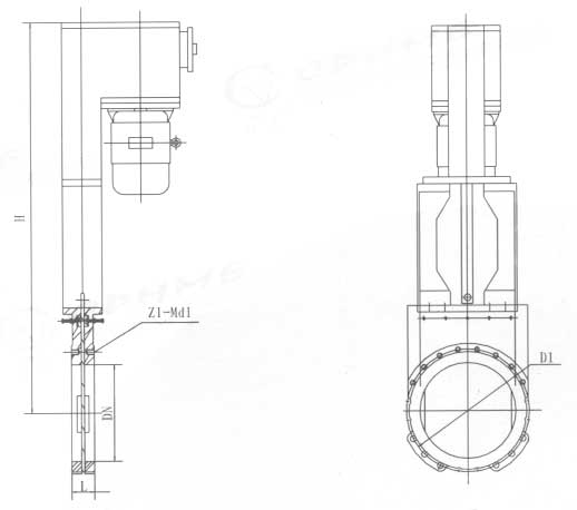
手动浆液阀外型及连接尺寸
  
电液动浆液阀外型及连接尺寸


|